phone-icon
+375 29 124 44 78 Заказать звонок

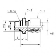
Штуцер ввертный с уплотнением, резьба UNF

Не нашли нужный товар? Обратитесь с заявкой на наш электронный адрес: info@kastmiron.by 
В наличии на складе все ГОСТ, ТУ, DIN! Изготавливаем и привозим под заказ Ваши размеры.

Штуцер ввертный с уплотнением, резьба UNF: Надежность и герметичность ваших соединений

Ищете надежное и герметичное решение для соединения трубных систем? Штуцер ввертный с уплотнением, резьба UNF – это именно то, что вам нужно! Предлагаем широкий ассортимент штуцеров, изготовленных на современном европейском оборудовании, гарантирующих высокое качество и долгий срок службы. В наличии и под заказ – обеспечиваем быструю доставку по всей Беларуси.

Что такое штуцер ввертный с уплотнением и для чего он используется?

Штуцер ввертный с уплотнением – это соединительная деталь, предназначенная для герметичного соединения труб различного диаметра и назначения. Он представляет собой металлический корпус с внутренней резьбой UNF (Unified National Fine), обеспечивающей надежное крепление. Наличие уплотнительного элемента (чаще всего, из качественной резины или паранита) гарантирует полную герметичность соединения, предотвращая утечки жидкости или газа. Это особенно важно в системах, работающих под давлением.

Области применения:

Штуцеры ввертные с уплотнением, резьба UNF, находят широкое применение в различных отраслях промышленности и строительства:

  • Гидравлические системы: Обеспечивают надежное соединение в гидравлических прессах, системах управления, машинах и механизмах.
  • Пневматические системы: Используются для соединения пневматических инструментов, оборудования и трубопроводов.
  • Системы охлаждения: Обеспечивают герметичность в системах охлаждения двигателей, оборудования и технологических процессов.
  • Химическая промышленность: Применяются для соединения трубопроводов, транспортирующих агрессивные среды.
  • Нефтегазовая промышленность: Используются в системах добычи, транспортировки и переработки нефти и газа.
  • Машиностроение: Незаменимы при сборке различных механизмов и агрегатов.

Преимущества выбора штуцеров от "Кастмирон":

Мы сотрудничаем с ведущими производителями и предлагаем только высококачественную продукцию. Наши штуцеры:

  • Изготовлены на современном европейском оборудовании, что гарантирует высокую точность и надежность.
  • Обладают повышенной износостойкостью и длительным сроком службы.
  • Обеспечивают абсолютную герметичность соединений.
  • Доступны в широком диапазоне размеров и модификаций.

Наши преимущества:

Обратившись в "Кастмирон", вы получаете:

  • Быструю доставку по всей Беларуси.
  • Широкий ассортимент штуцеров, всегда в наличии и под заказ.
  • Индивидуальный подход к каждому клиенту.
  • Возможность оперативного оформления заказа.
  • Выгодные условия сотрудничества для производственных предприятий.
  • Наличие редких и труднодоступных позиций на складе.
  • Составление коммерческого предложения в течение 30 минут!

Свяжитесь с нами прямо сейчас, чтобы получить консультацию и оформить заказ! Мы гарантируем высокое качество продукции и оперативное выполнение заказов.

Прямые поставки

без посредников

Отсрочка платежа

постоянным клиентам

Редкие позиции

в наличии и под заказ

Быстрая доставка

за 1-2 дня

Вы смотрели