Колбы металлические

Не нашли нужный товар?
Обратитесь с заявкой на наш электронный адрес: info@kastmiron.by.
Не все товары представлены в категории! Изготавливаем и привозим под заказ Ваши размеры. Возможно товара нет на нашем сайте, но он есть на нашем складе.
Оставить заявку
Не нашли нужный товар?
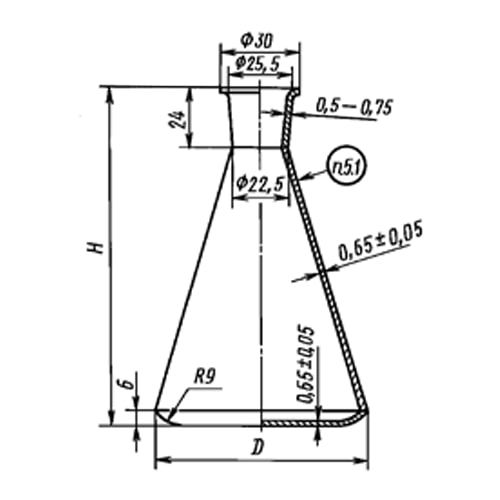
Марка: Пд99.9 Гост: ГОСТ 6563-75
от 10.00 р.
Марка: Пл99.9 Гост: ГОСТ 6563-75
от 10.00 р.

Металлические колбы: надежность и долговечность для ваших задач

Компания «Кастмирон» предлагает широкий ассортимент металлических колб, изготовленных из высококачественных материалов и предназначенных для решения самых разнообразных задач в различных отраслях промышленности. Наши колбы – это надежное и долговечное решение для хранения и транспортировки различных веществ, от химических реагентов до пищевых продуктов.

Мы предлагаем колбы различных объемов, форм и конфигураций, что позволяет подобрать оптимальный вариант для конкретных потребностей. В зависимости от назначения, колбы могут быть изготовлены из нержавеющей стали, алюминия или других высокопрочных металлов, обеспечивающих необходимую коррозионную стойкость и механическую прочность.

Области применения металлических колб

Металлические колбы широко используются в химической, пищевой, фармацевтической, нефтехимической и других отраслях промышленности. Они незаменимы для хранения и транспортировки агрессивных сред, жидкостей с высокой температурой, а также веществ, требующих защиты от внешних воздействий. Благодаря своей герметичности, колбы обеспечивают сохранность содержимого и предотвращают его утечку.

Преимущества металлических колб от «Кастмирон»

Наши металлические колбы отличаются высокой прочностью, устойчивостью к коррозии и длительным сроком службы. Мы используем только сертифицированные материалы и современное оборудование, что гарантирует высокое качество продукции. Кроме того, мы предлагаем широкий выбор дополнительных опций, таких как различные типы крышек, фитинги и другие элементы, позволяющие адаптировать колбы под конкретные условия эксплуатации.

Мы гарантируем соответствие наших металлических колб всем необходимым стандартам качества и безопасности. Наши специалисты всегда готовы помочь вам с выбором оптимального варианта и ответить на все ваши вопросы.

Основные характеристики металлических колб

В зависимости от материала изготовления и назначения, металлические колбы могут обладать различными характеристиками. К основным параметрам относятся объем, диаметр, высота, толщина стенок, тип крышки и материал изготовления. Мы предлагаем колбы различных размеров, от небольших лабораторных емкостей до крупных промышленных резервуаров.

Все наши колбы проходят строгий контроль качества на всех этапах производства, что гарантирует их надежность и долговечность. Мы уделяем особое внимание герметичности колб, чтобы предотвратить утечку содержимого и обеспечить безопасность эксплуатации.

Обращайтесь в компанию «Кастмирон» – мы предложим вам оптимальное решение для ваших задач, обеспечим быструю доставку и выгодные условия сотрудничества. Наши специалисты всегда готовы проконсультировать вас по всем вопросам, связанным с выбором и использованием металлических колб.

Мы предлагаем широкий выбор металлических колб, которые идеально подойдут для различных применений. Обратитесь к нам, и мы поможем вам подобрать оптимальный вариант, учитывая ваши индивидуальные потребности и требования.

Качество, надежность и долговечность – вот основные принципы нашей работы. Выбирая металлические колбы от «Кастмирон», вы выбираете качество и надежность.

Ассортимент

Широкий ассортимент продукции

Сертификаты

на всю продукцию в каталоге

Редкие позиции

всегда в наличии и под заказ

Доставка

рядовых позиций 1-2 дня