Отводы 60 в ВУС

Не нашли нужный товар? Обратитесь с заявкой на наш электронный адрес: info@kastmiron.by 
В наличии на складе все ГОСТ, ТУ, DIN! Изготавливаем и привозим под заказ Ваши размеры.
Сталь 20
>
от 1.21 р.
Сталь 3
>
от 1.09 р.
Сталь 20
>
от 1.21 р.
Сталь 20
>
от 1.21 р.
Сталь 3
>
от 1.09 р.
Сталь 20
>
от 1.21 р.
Сталь 20
>
от 1.21 р.
Сталь 3
>
от 1.09 р.
Сталь 20
>
от 1.21 р.
Сталь 3
>
от 1.09 р.
Марки:
09Г2С, 17Г1С, Сталь 20, Сталь 3
ГОСТы:
ГОСТ 17375-2001

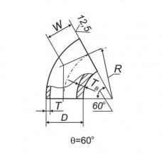
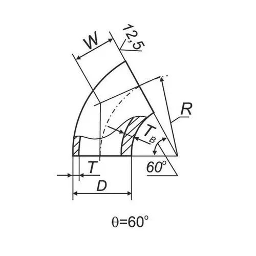
Отводы 60 в ВУС применяются для изменения направления магистральных трубопроводов под углом 60 градусов в условиях заводской изоляции усиленного типа. Эти фасонные элементы предназначены для эксплуатации в системах с высокими требованиями к механической прочности и коррозионной стойкости наружной поверхности.

Области применения

  • Магистральные нефте- и газопроводы, проходящие в регионах с повышенной агрессивностью грунтов.
  • Технологические трубопроводы нефтеперерабатывающих и химических предприятий, где требуется защита от блуждающих токов и почвенной коррозии.
  • Трассы тепловых сетей в условиях высокой влажности грунта или при прокладке в обводненных грунтах.
  • Промышленные трубопроводы для транспортировки агрессивных сред на участках с необходимостью изменения направления трассы.

Основные марки стали

  • 09Г2С
  • 17Г1С
  • Сталь 20
  • Сталь 3

Нормативная документация

  • ГОСТ 17375-2001

Технические параметры и доступные варианты

Изделия производятся методом штамповки или сварки секторов из листового металла. Конструкция обеспечивает минимальное гидравлическое сопротивление. Наружное покрытие ВУС наносится в заводских условиях и включает экструдированный полиэтилен, адгезионный подслой и антикоррозионную грунтовку.

Условный проход (Ду), ммНаружный диаметр, ммТолщина стенки, ммРадиус изгиба, ммМасса, кг
5305308.0800145
72072010.01080310
1020102012.51530680

Часто задаваемые вопросы

Что такое Отводы 60 в ВУС?

Это сварные или штампованные фасонные части трубопроводов с углом поворота 60, имеющие заводское наружное покрытие усиленного типа для защиты от коррозии в тяжелых грунтовых условиях.

В чем ключевое отличие изоляции ВУС?

Изоляция ВУС (усиленного типа) характеризуется увеличенной толщиной экструдированного полиэтилена и повышенной адгезией, что обеспечивает долговременную защиту при прокладке в обводненных и агрессивных грунтах.

Какие марки стали наиболее распространены для данных отводов?

Для изготовления чаще всего применяются низколегированные стали 09Г2С и 17Г1С для магистралей высокого давления, а также углеродистые стали 20 и Ст3 для технологических трубопроводов.

Где применяются отводы 60 градусов в ВУС изоляции?

Основное применение ответственные участки магистральных нефтегазопроводов, промышленных трасс и теплосетей, где требуется надежное изменение направления трубопровода с одновременной защитой от электрохимической коррозии.

Прямые поставки

без посредников

Отсрочка платежа

до 30 дней

Редкие позиции

в наличии и под заказ

Быстрая доставка

за 1-2 дня

Вы смотрели