Отводы 45 в ВУС

Не нашли нужный товар? Обратитесь с заявкой на наш электронный адрес: info@kastmiron.by 
В наличии на складе все ГОСТ, ТУ, DIN! Изготавливаем и привозим под заказ Ваши размеры.
Сталь 20
>
от 1.21 р.
Сталь 3
>
от 1.09 р.
Сталь 20
>
от 1.21 р.
Сталь 20
>
от 1.21 р.
Сталь 3
>
от 1.09 р.
Сталь 20
>
от 1.21 р.
Сталь 20
>
от 1.21 р.
Сталь 3
>
от 1.09 р.
Сталь 20
>
от 1.21 р.
Сталь 3
>
от 1.09 р.
Марки:
09Г2С, 17Г1С, Сталь 20, Сталь 3
ГОСТы:
ГОСТ 17375-2001

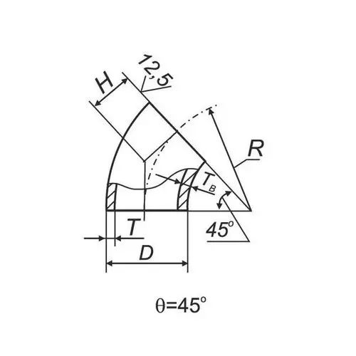
Отводы 45 в ВУС применяются для изменения направления технологических трубопроводов на угол 45 градусов в условиях заводской изоляции. Эти фасонные элементы монтируются на магистральных и технологических линиях, транспортирующих нефть, газ, воду и другие среды. Конструкция с усиленной заводской теплоизоляцией (ВУС) предназначена для эксплуатации в системах теплоснабжения и сетях с поддержанием температуры транспортируемого продукта.

Основные области применения

  • Поворотные узлы магистральных и промысловых трубопроводов в нефтегазовой отрасли.
  • Тепловые сети централизованного теплоснабжения и технологические линии ТЭЦ.
  • Технологические коммуникации на объектах химической и нефтеперерабатывающей промышленности.
  • Системы транспортировки горячей воды и пара в коммунальной инфраструктуре.

Марки стали и типы

Отводы 45 в ВУС изготавливаются из конструкционных и низколегированных сталей, обеспечивающих необходимые прочностные характеристики и свариваемость. Типичные марки включают углеродистые стали 20 и 3, а также низколегированные марки 09Г2С и 17Г1С для работы при отрицательных температурах и повышенных нагрузках.

Нормативная документация

  • ГОСТ 17375-2001

Технические параметры и доступные варианты

Геометрические параметры и допуски определяются стандартом. Изделия поставляются с нанесенным заводским покрытием тепловой изоляции и защитной оболочкой. Основные характеристики включают номинальный диаметр, радиус гиба, толщину стенки и тип изоляционного материала.

Условный проход (DN), ммНаружный диаметр, ммРадиус гиба (R), ммТолщина стенки, ммМатериал
1001081504.0Сталь 20
2002193006.009Г2С
4004266008.017Г1С

Часто задаваемые вопросы

Что такое Отводы 45 в ВУС?

Отводы 45 в ВУС представляют собой фасонные части трубопроводов с углом поворота 45, поставляемые с готовой заводской изоляцией для снижения тепловых потерь.

Какие среды можно транспортировать через такие отводы?

Изделия применяются для сетей, транспортирующих горячую воду, пар, нефтепродукты и технологические жидкости, где требуется поддержание температуры.

В чем преимущество заводской изоляции (ВУС)?

Готовое изоляционное покрытие обеспечивает стабильные теплотехнические характеристики, долговечность и сокращает сроки монтажа на трассе.

Какой стандарт регламентирует основные параметры отводов?

Основные конструктивные размеры и технические требования определяются стандартом ГОСТ 17375-2001.

Прямые поставки

без посредников

Отсрочка платежа

до 30 дней

Редкие позиции

в наличии и под заказ

Быстрая доставка

за 1-2 дня

Вы смотрели