Отводы 180 в ВУС

Не нашли нужный товар? Обратитесь с заявкой на наш электронный адрес: info@kastmiron.by 
В наличии на складе все ГОСТ, ТУ, DIN! Изготавливаем и привозим под заказ Ваши размеры.
Сталь 20
>
от 1.21 р.
Сталь 20
>
от 1.21 р.
Сталь 3
>
от 1.09 р.
Сталь 20
>
от 1.21 р.
Сталь 3
>
от 1.09 р.
Сталь 20
>
от 1.21 р.
Сталь 3
>
от 1.09 р.
Марки:
09Г2С, 17Г1С, Сталь 20, Сталь 3
ГОСТы:
ГОСТ 17375-2001

Отводы 180 в ВУС применяются для изменения направления магистральных трубопроводов на 180 градусов в условиях заводской изоляции. Эти стальные фасонные части предназначены для монтажа в системы, где требуется полное разворот потока рабочей среды с сохранением высокой коррозионной стойкости и механической защиты изоляционного покрытия.

Области применения

  • Магистральные нефте- и газопроводы, проходящие в сложных грунтовых условиях.
  • Технологические трубопроводы компрессорных и насосных станций для организации обводных петель.
  • Трассы тепловых сетей с заводским нанесением усиленной изоляции типа ВУС.
  • Промышленные трубопроводы в химической и нефтеперерабатывающей отраслях, требующие защиты от блуждающих токов.

Марки стали

  • 09Г2С
  • 17Г1С
  • Сталь 20
  • Сталь 3

Нормативная документация

  • ГОСТ 17375-2001

Технические параметры и доступные варианты

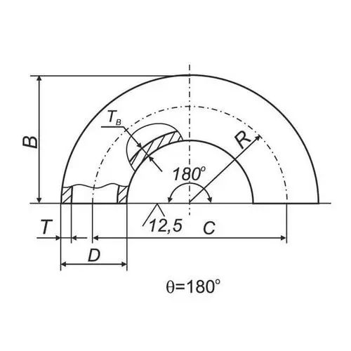
Изделия производятся методом штамповки или сварки секторов из листового металла. Основные параметры включают условный проход, толщину стенки, радиус гиба и тип нанесенного изоляционного покрытия (ВУС). Отводы 180 в ВУС рассчитаны на работу при давлениях, соответствующих классу прочности трубопровода.

Условный проход (Ду), ммНаружный диаметр, ммРадиус гиба (R), ммТолщина стенки, ммМатериал
200219300817Г1С
3003254501009Г2С
5005307501209Г2С

Часто задаваемые вопросы

Что такое Отводы 180 в ВУС?

Это стальные фасонные части трубопровода с углом поворота 180 градусов, на которые в заводских условиях нанесено усиленное противокоррозионное изоляционное покрытие (ВУС).

В чем ключевое преимущество изоляции ВУС на отводах?

Покрытие ВУС обеспечивает повышенную адгезию и механическую прочность, что критично для защиты сварных соединений и участков в условиях агрессивных грунтов.

Какие факторы влияют на выбор марки стали для отвода?

Выбор определяется параметрами рабочей среды (давление, температура), условиями эксплуатации (климатические, сейсмические) и требованиями стандартов на проектирование конкретного трубопровода.

Как контролируется качество изоляционного покрытия на изделии?

Качество покрытия ВУС проверяется методами неразрушающего контроля на сплошность и толщину в соответствии с технологическим регламентом, обычно до нанесения маркировки.

Прямые поставки

без посредников

Отсрочка платежа

до 30 дней

Редкие позиции

в наличии и под заказ

Быстрая доставка

за 1-2 дня