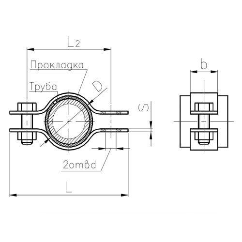
Подвески судовых трубопроводов. Тип 2

Не нашли нужный товар? Обратитесь с заявкой на наш электронный адрес: info@kastmiron.by 
В наличии на складе все ГОСТ, ТУ, DIN! Изготавливаем и привозим под заказ Ваши размеры.

Подвески судовых трубопроводов. Тип 2

Надежные и долговечные подвески судовых трубопроводов типа 2 от компании «Кастмирон» – залог бесперебойной работы вашего судна. Предназначены для фиксации и поддержки трубопроводов различных диаметров и материалов, обеспечивая их стабильное положение и предотвращая вибрации и повреждения. Мы предлагаем широкий выбор подвесок, изготовленных на современном европейском оборудовании, гарантируя высокое качество и соответствие всем необходимым стандартам.

Где используются подвески типа 2?

Подвески судовых трубопроводов типа 2 находят широкое применение на различных типах судов, включая:

  • Танкеры
  • Суда сухогрузного флота
  • Пассажирские суда
  • Рыболовные суда
  • Специализированные суда

Они используются для поддержки трубопроводов систем:

  • Перекачки топлива и смазочных материалов
  • Водоснабжения и канализации
  • Охлаждения и кондиционирования
  • Сжатого воздуха
  • И других инженерных систем

Преимущества подвесок типа 2 от «Кастмирон»:

Выбирая подвески типа 2 от «Кастмирон», вы получаете:

  • Высокое качество: Изготовлены из высокопрочных материалов, устойчивых к коррозии и механическим повреждениям.
  • Надежность: Гарантируют надежную фиксацию и поддержку трубопроводов, предотвращая их провисание и вибрации.
  • Долговечность: Прослужат долгие годы, обеспечивая бесперебойную работу судовых систем.
  • Простота монтажа: Легко устанавливаются и демонтируются, что сокращает время и затраты на монтаж.
  • Соответствие стандартам: Произведены в соответствии с международными стандартами качества и безопасности.

Наши преимущества:

Компания «Кастмирон» предлагает:

  • Широкий ассортимент: В наличии и под заказ подвески различных типоразмеров и модификаций.
  • Быстрая доставка: Оперативная доставка по всей территории Беларуси.
  • Индивидуальный подход: Работаем с предприятиями-изготовителями, предлагая гибкие условия сотрудничества.
  • Коммерческое предложение: Подготовим коммерческое предложение в течение 30 минут.
  • Редкие позиции в наличии: У нас вы найдете даже редкие и труднодоступные подвески.

Свяжитесь с нами прямо сейчас, чтобы получить консультацию и заказать подвески судовых трубопроводов типа 2! Мы гарантируем высокое качество продукции и оперативное обслуживание.

Звоните нам или оставляйте заявку на сайте!

Прямые поставки

без посредников

Отсрочка платежа

до 30 дней

Редкие позиции

в наличии и под заказ

Быстрая доставка

за 1-2 дня

Вы смотрели
от 10.00 р.
от 10.00 р.