Протекторы П-КОМ

Не нашли нужный товар? Обратитесь с заявкой на наш электронный адрес: info@kastmiron.by 
В наличии на складе все ГОСТ, ТУ, DIN! Изготавливаем и привозим под заказ Ваши размеры.

Протекторы П-КОМ: Надежная защита для вашей техники

Защитите свою технику от преждевременного износа и дорогостоящего ремонта с помощью высококачественных протекторов П-КОМ, представленных в широком ассортименте компанией «Кастмирон»! Мы предлагаем надежные и долговечные решения для различных отраслей промышленности, обеспечивая бесперебойную работу вашего оборудования.

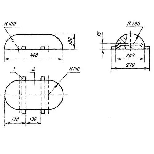
Протекторы П-КОМ – это специализированные резинотехнические изделия, предназначенные для защиты поверхностей от истирания, ударов и других механических повреждений. Они изготавливаются из высокопрочных материалов, устойчивых к воздействию агрессивных сред и экстремальных температур. Благодаря своим уникальным свойствам, протекторы П-КОМ значительно продлевают срок службы техники, снижают затраты на ремонт и обслуживание, а также повышают эффективность производственных процессов.

Области применения протекторов П-КОМ:

Протекторы П-КОМ находят широкое применение в различных отраслях, включая:

  • Горнодобывающая промышленность: Защита конвейерных лент, бункеров, транспортных средств от абразивного износа.
  • Строительство: Защита строительной техники (экскаваторы, бульдозеры) от повреждений, увеличение срока службы гусениц.
  • Металлургия: Защита оборудования от высоких температур и абразивного воздействия.
  • Химическая промышленность: Защита оборудования от коррозии и агрессивных химических веществ.
  • Сельское хозяйство: Защита сельскохозяйственной техники от износа.

Преимущества протекторов П-КОМ от «Кастмирон»:

Выбирая протекторы П-КОМ от «Кастмирон», вы получаете:

  • Высокое качество: Изготовлены на современном европейском оборудовании из высококачественных материалов.
  • Долговечность: Обеспечивают длительный срок службы и максимальную защиту вашей техники.
  • Широкий ассортимент: Мы предлагаем протекторы различных размеров и конфигураций, подходящие для решения любых задач.
  • Быстрая доставка: Оперативная доставка по всей территории Беларуси.
  • Индивидуальный подход: Мы работаем с предприятиями любого масштаба, предлагая оптимальные решения для каждого клиента.
  • Наличие на складе и под заказ: Большой выбор протекторов П-КОМ всегда в наличии, а редкие позиции мы доставим в кратчайшие сроки.

Сотрудничество с «Кастмирон»:

Мы ценим каждого клиента и предлагаем индивидуальный подход к каждому заказу. Наши специалисты помогут вам подобрать оптимальные протекторы П-КОМ, учитывая специфику вашей работы и требования к эксплуатации. Мы подготовим коммерческое предложение в течение 30 минут! Свяжитесь с нами прямо сейчас, чтобы получить консультацию и узнать больше о наших выгодных предложениях.

Звоните нам или оставляйте заявку на сайте – мы обеспечим надежную защиту вашей техники!

Ассортимент

Широкий ассортимент продукции

Сертификаты

на всю продукцию в каталоге

Редкие позиции

всегда в наличии и под заказ

Доставка

рядовых позиций 1-2 дня

Вы смотрели