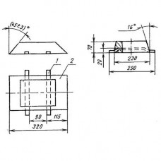
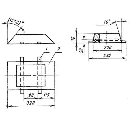
Протекторы П-КОА

Не нашли нужный товар? Обратитесь с заявкой на наш электронный адрес: info@kastmiron.by 
В наличии на складе все ГОСТ, ТУ, DIN! Изготавливаем и привозим под заказ Ваши размеры.

Протекторы П-КОА: Надежная защита для ваших конструкций

Протекторы П-КОА – это инновационное решение для защиты различных поверхностей от износа, коррозии и механических повреждений. Представляя собой высокопрочный композитный материал, они обеспечивают длительный срок службы и надежную защиту в самых сложных условиях эксплуатации.

Их уникальная структура, разработанная с использованием передовых технологий, обеспечивает превосходные характеристики по износостойкости, химической стойкости и механической прочности. Протекторы П-КОА выдерживают значительные нагрузки, сохраняя свои защитные свойства на протяжении длительного времени. Это делает их незаменимым элементом в различных отраслях промышленности и строительства.

Области применения

Протекторы П-КОА нашли широкое применение в различных отраслях. Они эффективно защищают поверхности оборудования, используемого в горнодобывающей промышленности, предотвращая преждевременный износ и поломки. В металлургии протекторы П-КОА обеспечивают защиту от высоких температур и агрессивных сред, продлевая срок службы дорогостоящего оборудования. В строительстве они используются для защиты конструкций от воздействия окружающей среды, таких как влага, перепады температур и механические повреждения.

Благодаря своей универсальности, протекторы П-КОА применяются и в других областях, например, в химической промышленности, машиностроении и энергетике. Они идеально подходят для защиты трубопроводов, резервуаров, емкостей и других конструкций, подверженных воздействию агрессивных сред и механических нагрузок.

Ключевые свойства и характеристики

Протекторы П-КОА обладают рядом уникальных свойств, которые обеспечивают их высокую эффективность и долговечность:

  • Высокая износостойкость: Протекторы П-КОА выдерживают интенсивные нагрузки и сохраняют свои защитные свойства на протяжении длительного времени, значительно увеличивая срок службы защищаемых поверхностей.
  • Устойчивость к коррозии: Специальный состав материала обеспечивает надежную защиту от коррозии, даже в агрессивных средах, предотвращая разрушение защищаемых конструкций.
  • Высокая прочность: Протекторы П-КОА обладают высокой механической прочностью, выдерживая значительные ударные и статические нагрузки.
  • Простота монтажа: Простая и удобная система монтажа позволяет быстро и эффективно установить протекторы П-КОА на различные поверхности.
  • Долговечность: Благодаря своим уникальным свойствам, протекторы П-КОА обеспечивают длительный срок службы, минимизируя затраты на ремонт и замену.
  • Экологическая безопасность: Протекторы П-КОА изготовлены из экологически безопасных материалов, не наносящих вреда окружающей среде.

Преимущества выбора протекторов П-КОА от Кастмирон:

Обращаясь в компанию "Кастмирон", вы получаете не только высококачественные протекторы П-КОА, но и гарантию надежности и профессионализма. Мы предлагаем широкий ассортимент продукции, индивидуальный подход к каждому клиенту и оперативную доставку по всей стране. Наши специалисты всегда готовы оказать квалифицированную помощь в выборе оптимального решения для ваших задач. Сотрудничество с "Кастмирон" – это гарантия долговечности и надежности ваших конструкций.

Свяжитесь с нами, чтобы узнать больше о протекторах П-КОА и получить индивидуальное коммерческое предложение. Мы готовы ответить на все ваши вопросы и помочь подобрать оптимальное решение для ваших потребностей.

Ассортимент

Широкий ассортимент продукции

Сертификаты

на всю продукцию в каталоге

Редкие позиции

всегда в наличии и под заказ

Доставка

рядовых позиций 1-2 дня

Вы смотрели