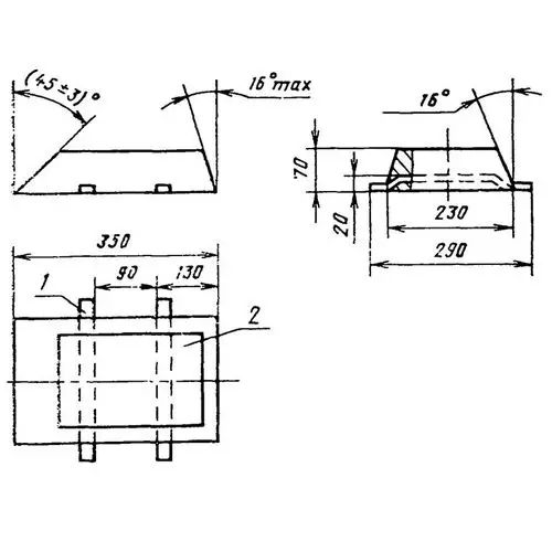
Протекторы П-ККА

Не нашли нужный товар? Обратитесь с заявкой на наш электронный адрес: info@kastmiron.by 
В наличии на складе все ГОСТ, ТУ, DIN! Изготавливаем и привозим под заказ Ваши размеры.

Протекторы П-ККА: Надежная Защита Ваших Инвестиций

Протекторы П-ККА – это высокоэффективные защитные устройства, разработанные для обеспечения долговечности и бесперебойной работы сложного технологического оборудования в различных отраслях промышленности. Созданные с использованием передовых материалов и технологий, они представляют собой инновационное решение для минимизации износа и предотвращения преждевременного выхода из строя ключевых компонентов.

Их уникальная конструкция обеспечивает надежную защиту от механических повреждений, агрессивных сред и экстремальных условий эксплуатации. Протекторы П-ККА не просто продлевают срок службы оборудования, они оптимизируют его производительность, снижая риски простоев и связанных с ними финансовых потерь. Это особенно актуально в условиях жесткой конкуренции и высоких требований к эффективности производства.

Области Применения

Протекторы П-ККА находят широкое применение в различных отраслях, где требуется надежная защита оборудования от износа и повреждений. Они незаменимы в горнодобывающей промышленности, где сталкиваются с экстремальными условиями эксплуатации и высокой абразивностью среды. В металлургии протекторы обеспечивают защиту от высоких температур и агрессивных химических веществ. В строительстве они используются для защиты оборудования от механических повреждений и коррозии.

Кроме того, протекторы П-ККА эффективно применяются в энергетическом секторе, обеспечивая надежную защиту оборудования, работающего в условиях высоких температур и давления. Их использование в нефтегазовой промышленности позволяет минимизировать риски повреждений, связанных с агрессивными средами и высокими нагрузками. В машиностроении протекторы повышают надежность и долговечность оборудования, снижая затраты на ремонт и техническое обслуживание.

Ключевые Характеристики и Преимущества

Протекторы П-ККА отличаются рядом уникальных свойств, которые обеспечивают их высокую эффективность и надежность. Они обладают повышенной износостойкостью, выдерживая значительные механические нагрузки и воздействие агрессивных сред. Их высокая прочность гарантирует долговечность и надежную защиту оборудования в самых сложных условиях.

Основные Преимущества:

  • Повышенная износостойкость
  • Устойчивость к агрессивным средам
  • Высокая прочность и надежность
  • Простота монтажа и демонтажа
  • Долговечность и экономическая эффективность
  • Соответствие международным стандартам качества

Благодаря своим уникальным свойствам, протекторы П-ККА являются оптимальным решением для защиты дорогостоящего оборудования и повышения эффективности производства. Они позволяют значительно снизить затраты на ремонт и техническое обслуживание, обеспечивая бесперебойную работу и максимальную отдачу от инвестиций.

Компания "Кастмирон" предлагает широкий ассортимент протекторов П-ККА, подобрать оптимальный вариант для ваших нужд помогут наши специалисты. Мы гарантируем высокое качество продукции и оперативную доставку в любой регион. Обращайтесь к нам, и мы поможем вам обеспечить надежную защиту вашего оборудования и повысить эффективность вашего бизнеса.

Свяжитесь с нами сегодня, чтобы узнать больше о протекторах П-ККА и получить индивидуальное предложение.

Ассортимент

Широкий ассортимент продукции

Сертификаты

на всю продукцию в каталоге

Редкие позиции

всегда в наличии и под заказ

Доставка

рядовых позиций 1-2 дня

Вы смотрели