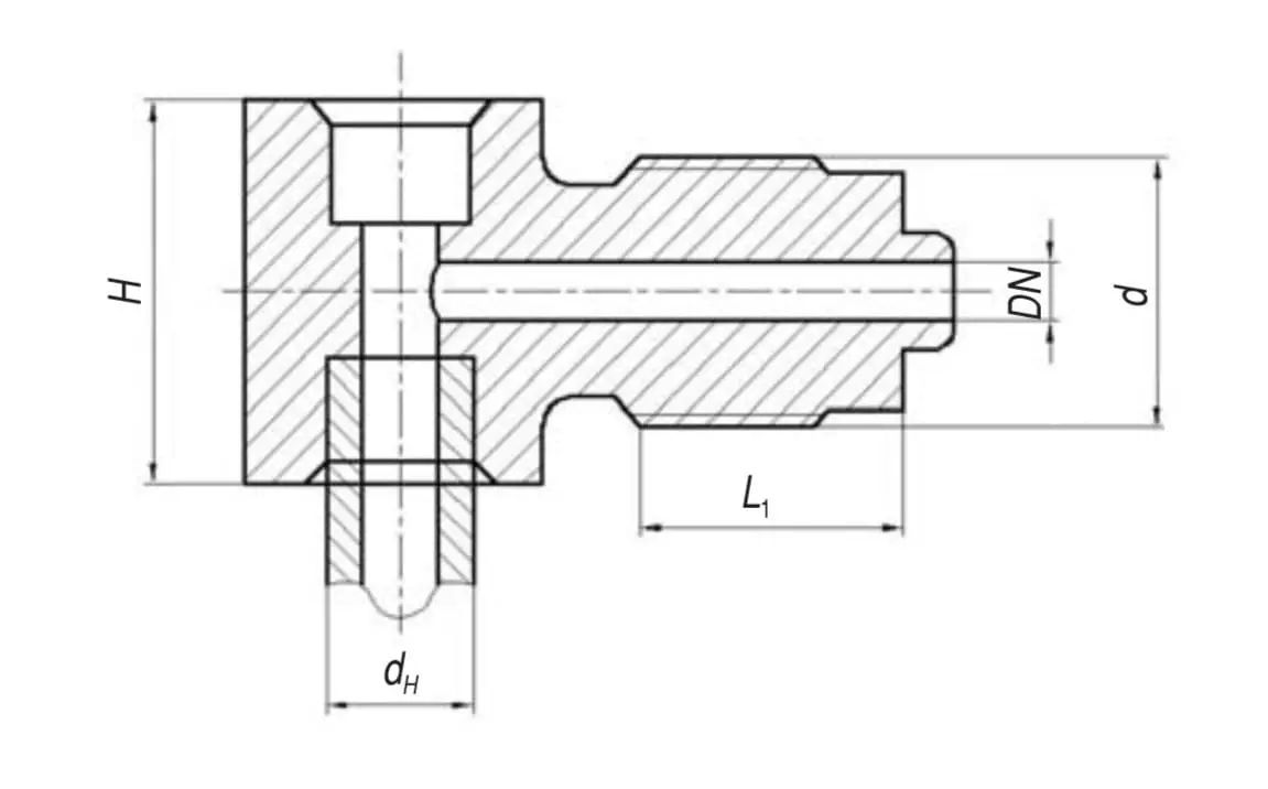
Штуцер ответвительный внахлестку

Не нашли нужный товар? Обратитесь с заявкой на наш электронный адрес: info@kastmiron.by 
В наличии на складе все ГОСТ, ТУ, DIN! Изготавливаем и привозим под заказ Ваши размеры.
Прямые поставки

без посредников

Отсрочка платежа

до 30 дней

Редкие позиции

в наличии и под заказ

Быстрая доставка

за 1-2 дня

Вы смотрели
от 0.00 р.