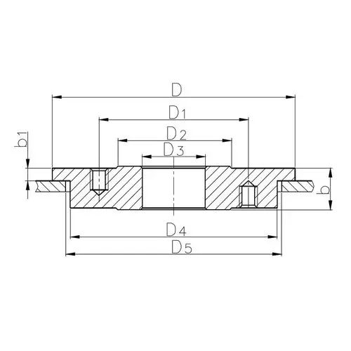
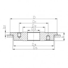
Путевой приварыш под фланец

Не нашли нужный товар? Обратитесь с заявкой на наш электронный адрес: info@kastmiron.by 
В наличии на складе все ГОСТ, ТУ, DIN! Изготавливаем и привозим под заказ Ваши размеры.

Путевой приварыш под фланец: Надежность и долговечность для ваших проектов

Надежность и долговечность – ключевые характеристики любого промышленного объекта. Именно поэтому выбор качественных комплектующих играет решающую роль. Путевой приварыш под фланец от «Кастмирон» – это надежное решение для соединения элементов рельсовых путей и других инженерных конструкций, требующих высокой прочности и устойчивости к экстремальным нагрузкам.

Представляет собой специализированный элемент, предназначенный для сварного соединения рельсовых путей с фланцевыми соединениями. Его конструкция обеспечивает надежное крепление, минимизируя риски ослабления и деформации в условиях интенсивной эксплуатации. Приварыш изготавливается из высокопрочных сталей, выдерживающих значительные динамические и статические нагрузки, характерные для железнодорожного транспорта и промышленных объектов.

Области применения:

Путевой приварыш под фланец находит широкое применение в различных отраслях, где требуется создание прочных и долговечных рельсовых соединений. Он незаменим в железнодорожном строительстве и ремонте, в метростроении, на горнодобывающих предприятиях, в портах и на других объектах с интенсивным движением рельсового транспорта.

Преимущества выбора приварыша от «Кастмирон»:

Мы предлагаем путевые приварыши, изготовленные с соблюдением высочайших стандартов качества. Используемые материалы проходят строгий контроль, обеспечивая отличные механические свойства и длительный срок службы. Точность изготовления гарантирует легкость монтажа и идеальное прилегание к фланцевым соединениям. Это минимизирует риски возникновения дефектов и обеспечивает надежность всей конструкции.

Выбор «Кастмирон» – это гарантия качества, надежности и долговечности ваших проектов. Мы предлагаем широкий ассортимент путевых приварышей под фланец, чтобы удовлетворить потребности самых требовательных клиентов. Наши специалисты всегда готовы помочь с выбором оптимального решения и предоставить всю необходимую техническую информацию.

Технические характеристики:

Характеристики путевых приварышей под фланец варьируются в зависимости от конкретной модели и назначения. Ключевые параметры включают в себя размеры, материал изготовления (марка стали), предел прочности на разрыв, устойчивость к коррозии и другие показатели, обеспечивающие надежность и долговечность в условиях эксплуатации.

Обращайтесь к нашим специалистам за подробной информацией о технических характеристиках и дополнительными консультациями по выбору оптимального варианта путевого приварыша под фланец для вашего проекта. Мы гарантируем высокое качество продукции и оперативную доставку в любой регион.

Сотрудничество с «Кастмирон» – это залог успеха ваших проектов. Мы обеспечиваем высокое качество продукции, индивидуальный подход к каждому клиенту и оперативное решение всех вопросов. Выбирайте надежность – выбирайте «Кастмирон»!

Ассортимент

Широкий ассортимент продукции

Сертификаты

на всю продукцию в каталоге

Редкие позиции

всегда в наличии и под заказ

Доставка

рядовых позиций 1-2 дня