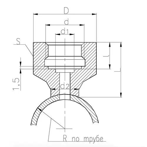
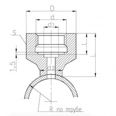
Приварыш на трубу под штуцерную арматуру

Не нашли нужный товар? Обратитесь с заявкой на наш электронный адрес: info@kastmiron.by 
В наличии на складе все ГОСТ, ТУ, DIN! Изготавливаем и привозим под заказ Ваши размеры.

Приварыш на трубу под штуцерную арматуру: Надежность и долговечность ваших соединений

Приварыш на трубу под штуцерную арматуру – это незаменимый элемент в системах, где требуется надежное и герметичное соединение труб с арматурой. Представляющий собой специально разработанную деталь, он обеспечивает прочное и долговечное крепление, выдерживающее значительные нагрузки и перепады давления.

Его конструкция, тщательно продуманная инженерами, гарантирует максимальную герметичность соединения, предотвращая утечки и обеспечивая бесперебойную работу системы. Изготовленный из высококачественных материалов, приварыш обладает повышенной устойчивостью к коррозии и механическим повреждениям, что значительно продлевает срок его службы и обеспечивает надежность всей системы в целом.

Области применения:

Приварыши на трубу под штуцерную арматуру находят широкое применение в различных отраслях промышленности и строительства. Они незаменимы в системах водоснабжения, отопления, газоснабжения, а также в химической, нефтегазовой и пищевой промышленности. Высокая надежность и долговечность делают их идеальным выбором для критически важных соединений, где отказ может привести к серьезным последствиям.

Преимущества использования:

Выбор приварыша от «Кастмирон» – это выбор качества и надежности. Наши изделия отличаются:

  • Высокой прочностью: Выдерживают значительные нагрузки и перепады давления.
  • Устойчивостью к коррозии: Обеспечивают длительный срок службы даже в агрессивных средах.
  • Герметичностью соединения: Предотвращают утечки и обеспечивают бесперебойную работу системы.
  • Простотой монтажа: Упрощают процесс установки и сокращают время работ.
  • Соответствием стандартам качества: Изготавливаются в соответствии с высокими требованиями и проходят строгий контроль качества.

Технические характеристики:

Технические характеристики приварышей варьируются в зависимости от диаметра трубы и типа арматуры. Мы предлагаем широкий ассортимент изделий, способных удовлетворить потребности самых требовательных клиентов. Подробные технические характеристики каждого изделия указаны в его описании. Обращайтесь к нашим специалистам для получения консультации и выбора оптимального варианта для ваших задач.

Заказывая приварыши на трубу под штуцерную арматуру у «Кастмирон», вы получаете гарантию качества, надежности и долговечности. Мы предлагаем выгодные условия сотрудничества, оперативную доставку и индивидуальный подход к каждому клиенту. Свяжитесь с нами, чтобы узнать больше о нашем ассортименте и сделать заказ.

Мы гарантируем высокое качество продукции и предоставляем все необходимые сертификаты и документацию. Обращайтесь к нам – и мы поможем вам подобрать оптимальное решение для ваших проектов, обеспечив надежность и долговечность ваших систем.

«Кастмирон» – ваш надежный партнер в мире строительных материалов и оборудования!

Ассортимент

Широкий ассортимент продукции

Сертификаты

на всю продукцию в каталоге

Редкие позиции

всегда в наличии и под заказ

Доставка

рядовых позиций 1-2 дня