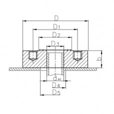
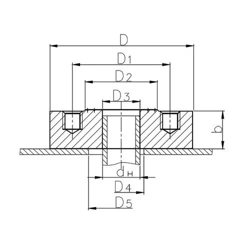
Концевой приварыш под фланец

Не нашли нужный товар? Обратитесь с заявкой на наш электронный адрес: info@kastmiron.by 
В наличии на складе все ГОСТ, ТУ, DIN! Изготавливаем и привозим под заказ Ваши размеры.

Концевой Приварыш Под Фланец: Надежность и Долговечность Ваших Соединений

Концевой приварыш под фланец – это специализированный элемент, предназначенный для создания прочных и герметичных соединений в различных инженерных системах. Он представляет собой деталь, обычно изготовленную из высокопрочной стали или других коррозионно-стойких материалов, с одной стороны имеющую сварной шов для надежного соединения с трубой или другим элементом, а с другой – подготовленное под фланец отверстие. Это обеспечивает простоту и надежность монтажа, исключая необходимость сложных и трудоемких операций по подготовке соединения.

Главное назначение концевого приварыша – обеспечить надежное и герметичное крепление фланцевого соединения. Он служит переходником, позволяющим соединить трубы или другие элементы с фланцами, которые, в свою очередь, используются для соединения с различным оборудованием, арматурой и трубопроводной системой в целом. Это незаменимый компонент в тех случаях, когда требуется обеспечить высокую степень герметичности и надежности соединения под давлением или в условиях агрессивной среды.

Области Применения

Концевые приварыши под фланец широко применяются в различных отраслях промышленности: в нефтегазовой, химической, энергетической, машиностроительной и других. Они незаменимы при монтаже трубопроводов различного назначения – от транспортировки жидкостей и газов до систем отопления и водоснабжения. Благодаря своей универсальности, приварыши используются как в новых конструкциях, так и при ремонте и модернизации существующих систем.

Преимущества использования концевых приварышей:

Использование концевых приварышей под фланец обеспечивает ряд неоспоримых преимуществ: повышенная надежность и герметичность соединений, упрощение монтажных работ, сокращение времени и затрат на установку, возможность использования в различных условиях эксплуатации, долговечность и устойчивость к коррозии (в зависимости от материала изготовления). Это делает их экономически выгодным и эффективным решением для создания прочных и надежных инженерных систем.

Характеристики и свойства

Основные характеристики концевых приварышей определяются материалом изготовления, размерами и типом фланцевого соединения. Мы предлагаем широкий выбор приварышей, изготовленных из различных марок стали, с различными диаметрами и типами фланцев, что позволяет подобрать оптимальный вариант для любых задач. Все наши изделия проходят строгий контроль качества, что гарантирует их соответствие высоким стандартам и надежность в эксплуатации. Более подробную информацию о технических характеристиках конкретных моделей вы можете найти в нашем каталоге или связаться с нашими специалистами.

В «Кастмирон» вы найдете широкий ассортимент концевых приварышей под фланец, подходящих для решения самых разнообразных задач. Мы предлагаем продукцию высокого качества по конкурентоспособным ценам, а также оперативную доставку и индивидуальный подход к каждому клиенту. Обращайтесь к нам, и мы поможем вам подобрать оптимальное решение для ваших нужд.

Обратите внимание, что конкретные характеристики и параметры концевых приварышей могут варьироваться в зависимости от модели и материала. Для получения подробной информации о доступных вариантах и их технических характеристиках, пожалуйста, свяжитесь с нашими специалистами. Мы всегда готовы предоставить вам профессиональную консультацию и помочь с выбором оптимального решения.

Ассортимент

Широкий ассортимент продукции

Сертификаты

на всю продукцию в каталоге

Редкие позиции

всегда в наличии и под заказ

Доставка

рядовых позиций 1-2 дня