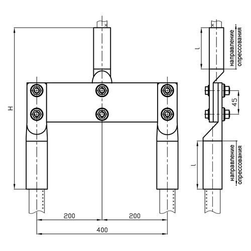
Переходные зажимы типа ППТ для перехода с 1 провода на 2

Не нашли нужный товар? Обратитесь с заявкой на наш электронный адрес: info@kastmiron.by 
В наличии на складе все ГОСТ, ТУ, DIN! Изготавливаем и привозим под заказ Ваши размеры.

Переходные зажимы типа ППТ для перехода с 1 провода на 2

Надежность и эффективность электромонтажных работ напрямую зависят от качества используемых компонентов. Переходные зажимы типа ППТ от Кастмирон – это высококачественное решение для соединения одного провода с двумя, обеспечивающее безопасное и надежное распределение электрического тока. Разработанные с учетом высоких стандартов качества, эти зажимы являются незаменимым элементом в различных областях электротехники.

Зажимы ППТ предназначены для создания надежного электрического контакта при переходе с одножильного провода на двухжильный. Их конструкция обеспечивает равномерное распределение нагрузки и предотвращает перегрев, что гарантирует долговечность и безопасность эксплуатации. Это особенно важно в условиях высоких нагрузок и вибраций.

Области применения

Благодаря своей универсальности, переходные зажимы типа ППТ нашли широкое применение в различных отраслях. Они незаменимы в электромонтажных работах на промышленных предприятиях, в энергетике, строительстве, а также в системах автоматизации и управления. Их использование позволяет упростить процесс подключения и повысить надежность электросетей.

Промышленность

В промышленном секторе зажимы ППТ используются для соединения проводов в силовых цепях, системах управления технологическим оборудованием, а также в осветительных сетях. Их надежность и долговечность гарантируют бесперебойную работу оборудования и безопасность персонала.

Энергетика

В энергетике зажимы ППТ применяются для соединения проводов в распределительных устройствах, линиях электропередач и подстанциях. Их устойчивость к высоким нагрузкам и перепадам напряжения обеспечивает стабильную работу энергосистем.

Строительство

В строительстве зажимы ППТ используются для подключения электрооборудования в жилых и коммерческих зданиях. Их компактность и простота монтажа позволяют сократить время и затраты на электромонтажные работы.

Основные характеристики

Переходные зажимы типа ППТ от Кастмирон отличаются высокой прочностью и надежностью. Они изготовлены из высококачественных материалов, устойчивых к коррозии и механическим повреждениям. Конструкция зажимов обеспечивает надежный контакт и предотвращает ослабление соединения со временем. Простота монтажа и удобство в использовании делают их идеальным выбором для профессиональных электромонтажников.

Зажимы ППТ характеризуются высокой токопроводимостью, что обеспечивает минимальные потери энергии. Они соответствуют всем необходимым стандартам безопасности и имеют сертификаты качества. Благодаря своей надежности и долговечности, зажимы ППТ являются выгодным инвестиционным решением для любых проектов, где требуется надежное соединение проводов.

Кастмирон предлагает широкий выбор переходных зажимов типа ППТ, которые подходят для различных типов проводов и условий эксплуатации. Мы гарантируем высокое качество нашей продукции и предоставляем профессиональную консультацию по выбору оптимального решения для ваших задач. Обращайтесь к нам, и мы поможем вам подобрать подходящие зажимы и обеспечить бесперебойную работу ваших электросетей.

Выбирая зажимы ППТ от Кастмирон, вы выбираете надежность, качество и долговечность. Мы гарантируем, что наши зажимы прослужат вам долгие годы, обеспечивая безопасную и эффективную работу ваших электросистем.

Ассортимент

Широкий ассортимент продукции

Сертификаты

на всю продукцию в каталоге

Редкие позиции

всегда в наличии и под заказ

Доставка

рядовых позиций 1-2 дня