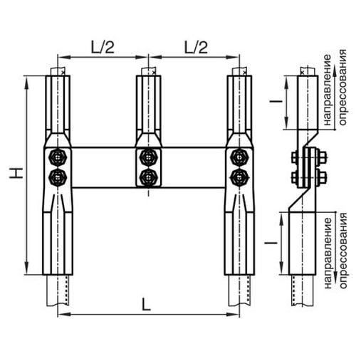
Переходные зажимы типа ППР для перехода с 2 проводов на 3

Не нашли нужный товар? Обратитесь с заявкой на наш электронный адрес: info@kastmiron.by 
В наличии на складе все ГОСТ, ТУ, DIN! Изготавливаем и привозим под заказ Ваши размеры.

Переходные зажимы типа ППР для перехода с 2 проводов на 3

Надежность и эффективность электромонтажных работ напрямую зависят от качества используемых компонентов. Переходные зажимы типа ППР, предлагаемые компанией «Кастмирон», представляют собой высококачественное решение для соединения кабелей с изменением количества жил. Эти зажимы предназначены для аккуратного и безопасного перехода с двухжильного кабеля на трехжильный, обеспечивая надежный электрический контакт и исключая возможность короткого замыкания или обрыва цепи.

Конструкция зажимов ППР разработана с учетом высоких требований к надежности и долговечности. Они изготовлены из высокопрочных материалов, устойчивых к коррозии и механическим повреждениям, что гарантирует длительный срок службы даже в условиях повышенной влажности или вибрации. Специальная конструкция контактных элементов обеспечивает надежное зажатие проводов различного сечения, предотвращая их проскальзывание и обеспечивая минимальное сопротивление.

Области применения

Зажимы ППР находят широкое применение в различных отраслях промышленности и строительства. Они незаменимы при монтаже электропроводки в жилых и коммерческих зданиях, промышленных объектах, а также в системах автоматизации и управления. Их использование позволяет упростить процесс монтажа, сократить время работы и повысить надежность всей электросети.

Преимущества использования зажимов ППР:

Надежное соединение: Зажимы обеспечивают прочный и надежный контакт между проводами, предотвращая обрывы и короткое замыкание.

Простота монтажа: Интуитивно понятная конструкция позволяет быстро и легко установить зажимы без специальных инструментов.

Долговечность: Изготовлены из высококачественных материалов, устойчивых к коррозии и механическим повреждениям, обеспечивая длительный срок службы.

Безопасность: Надежная фиксация проводов исключает риск случайного отсоединения и обеспечивает безопасность эксплуатации.

Универсальность: Подходят для проводов различного сечения, что делает их универсальным решением для различных задач.

Технические характеристики

Технические характеристики зажимов ППР могут варьироваться в зависимости от модели. Обратитесь к нашим специалистам для получения подробной информации о конкретных параметрах и доступных вариантах. Мы предоставляем широкий выбор зажимов, способных удовлетворить потребности самых требовательных клиентов.

Компания «Кастмирон» гарантирует высокое качество всей поставляемой продукции. Мы работаем только с проверенными производителями и предлагаем нашим клиентам только лучшие решения в области электромонтажных материалов. Обращайтесь к нам, и мы поможем вам подобрать оптимальные зажимы ППР для ваших задач, обеспечив бесперебойную работу вашей электросети на долгие годы. Наши специалисты всегда готовы ответить на ваши вопросы и предоставить профессиональную консультацию.

Сотрудничество с «Кастмирон» – это гарантия качества, надежности и оперативности. Мы предлагаем широкий ассортимент строительных материалов и оборудования, а также гибкую систему скидок и индивидуальный подход к каждому клиенту. Свяжитесь с нами сегодня, чтобы узнать больше о наших продуктах и услугах.

Ассортимент

Широкий ассортимент продукции

Сертификаты

на всю продукцию в каталоге

Редкие позиции

всегда в наличии и под заказ

Доставка

рядовых позиций 1-2 дня