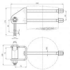
Узлы крепления типа КГТ-7-1

Не нашли нужный товар? Обратитесь с заявкой на наш электронный адрес: info@kastmiron.by 
В наличии на складе все ГОСТ, ТУ, DIN! Изготавливаем и привозим под заказ Ваши размеры.
КГТ-7-1
>
от 10.00 р.

Узлы крепления типа КГТ-7-1: Надежность и эффективность в ваших проектах

Узлы крепления КГТ-7-1 – это высокопрочные и надежные элементы, предназначенные для фиксации различных конструкций и оборудования в условиях повышенных нагрузок. Разработанные с учетом современных инженерных решений, они обеспечивают стабильность и безопасность эксплуатации, минимизируя риски повреждений и аварийных ситуаций. Их применение значительно упрощает процесс монтажа и демонтажа, сокращая время и трудозатраты.

КГТ-7-1 идеально подходят для использования в различных отраслях промышленности, где требуется надежное и долговечное крепление. Они незаменимы при строительстве и монтаже сложных инженерных сооружений, обеспечивая необходимую жесткость и устойчивость конструкций к внешним воздействиям. Благодаря своей универсальности, узлы крепления КГТ-7-1 применяются как в стационарных, так и в мобильных системах.

Области применения:

Высокая прочность и надежность узлов крепления КГТ-7-1 делают их незаменимыми в таких областях, как:

  • Строительство: Крепление элементов высотных конструкций, мостов, туннелей, промышленных зданий.
  • Машиностроение: Фиксация агрегатов и механизмов в станках, конвейерах, другом промышленном оборудовании.
  • Энергетика: Крепление элементов электростанций, линий электропередач, ветровых генераторов.
  • Транспорт: Фиксация грузов в железнодорожных вагонах, автомобильных прицепах, морских контейнерах.
  • Нефтегазовая промышленность: Крепление оборудования на нефте- и газодобывающих платформах, трубопроводах.

Основные характеристики:

Узлы крепления КГТ-7-1 отличаются рядом важных характеристик, обеспечивающих их высокую эффективность и долговечность:

  • Высокая прочность: Изготовлены из высококачественных материалов, выдерживающих значительные нагрузки.
  • Коррозионная стойкость: Обработаны специальными составами, защищающими от коррозии и продлевающими срок службы.
  • Универсальность: Подходят для различных типов конструкций и материалов.
  • Простота монтажа: Легко устанавливаются и демонтируются, что сокращает время и затраты на монтаж.
  • Долговечность: Гарантируют длительный срок службы без потери эксплуатационных характеристик.
  • Соответствие стандартам: Произведены в соответствии с высокими стандартами качества и безопасности.

Преимущества выбора КГТ-7-1 от "Кастмирон":

Обращаясь в "Кастмирон", вы получаете не только высококачественные узлы крепления КГТ-7-1, но и ряд дополнительных преимуществ:

  • Гарантия качества: Мы гарантируем высокое качество нашей продукции и предоставляем все необходимые сертификаты.
  • Конкурентные цены: Мы предлагаем оптимальное соотношение цены и качества.
  • Быстрая доставка: Мы обеспечиваем оперативную доставку по всей стране.
  • Индивидуальный подход: Мы готовы разработать индивидуальные решения для ваших проектов.
  • Профессиональная консультация: Наши специалисты всегда готовы ответить на ваши вопросы и помочь с выбором.

Выбирайте надежность и эффективность – выбирайте узлы крепления КГТ-7-1 от "Кастмирон"! Свяжитесь с нами для получения подробной информации и оформления заказа.

Ассортимент

Широкий ассортимент продукции

Сертификаты

на всю продукцию в каталоге

Редкие позиции

всегда в наличии и под заказ

Доставка

рядовых позиций 1-2 дня