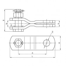
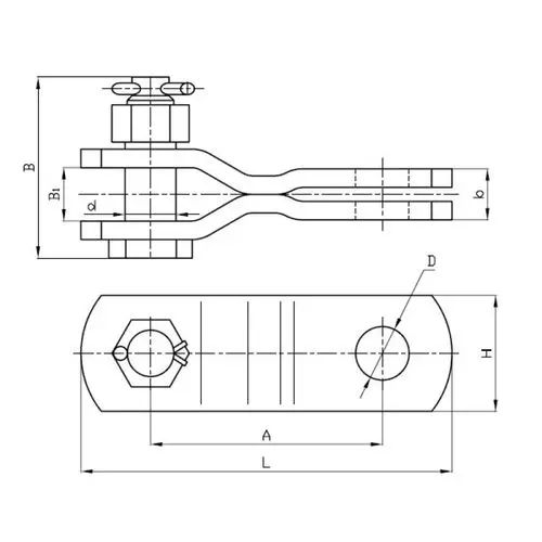
Промежуточные звенья типа ПРТ

Не нашли нужный товар? Обратитесь с заявкой на наш электронный адрес: info@kastmiron.by 
В наличии на складе все ГОСТ, ТУ, DIN! Изготавливаем и привозим под заказ Ваши размеры.

Промежуточные звенья типа ПРТ: Надежность и эффективность в ваших проектах

Компания «Кастмирон» предлагает широкий ассортимент высококачественных промежуточных звеньев типа ПРТ, предназначенных для решения сложных инженерных задач в различных отраслях промышленности. Эти элементы, отличающиеся прочностью, долговечностью и надежностью, являются незаменимыми компонентами в системах, требующих высокой точности и устойчивости к износу.

Промежуточные звенья типа ПРТ представляют собой специализированные соединительные элементы, обеспечивающие плавную и эффективную передачу механического усилия. Их конструкция, разработанная с учетом высоких нагрузок и вибраций, гарантирует бесперебойную работу механизмов в течение длительного времени. Мы предлагаем звенья различных типоразмеров и модификаций, что позволяет подобрать оптимальное решение для конкретных условий эксплуатации.

Области применения

Промежуточные звенья типа ПРТ нашли широкое применение в различных отраслях, где требуется надежная и эффективная передача энергии. Они используются в машиностроении, горнодобывающей промышленности, металлургии, строительстве и других сферах. Благодаря своим уникальным свойствам, эти звенья обеспечивают стабильность работы сложных механизмов, минимизируя потери энергии и увеличивая срок их службы.

Машиностроение

В машиностроении промежуточные звенья типа ПРТ используются в качестве ключевых компонентов различных механизмов, обеспечивая точность и плавность движения. Их применение позволяет повысить производительность оборудования и снизить риск поломок.

Горнодобывающая промышленность

В условиях экстремальных нагрузок и агрессивных сред, характерных для горнодобывающей промышленности, промежуточные звенья типа ПРТ демонстрируют высокую износостойкость и надежность. Они способны выдерживать значительные механические нагрузки и обеспечивать бесперебойную работу горнодобывающего оборудования.

Металлургия

В металлургической промышленности промежуточные звенья типа ПРТ используются в высокотемпературных условиях, демонстрируя устойчивость к коррозии и деформации. Их применение обеспечивает стабильность работы металлургического оборудования и повышает качество производимой продукции.

Основные характеристики

Промежуточные звенья типа ПРТ, предлагаемые компанией «Кастмирон», обладают рядом важных характеристик, обеспечивающих их высокую эффективность и долговечность. К ним относятся:

  • Высокая прочность и износостойкость
  • Устойчивость к коррозии и агрессивным средам
  • Точность изготовления и стабильность геометрических параметров
  • Широкий диапазон типоразмеров и модификаций
  • Соответствие международным стандартам качества

Выбор промежуточных звеньев типа ПРТ от «Кастмирон» – это гарантия надежности и эффективности ваших проектов. Мы предлагаем конкурентные цены, оперативную доставку и индивидуальный подход к каждому клиенту. Свяжитесь с нами, чтобы получить подробную консультацию и оформить заказ.

Обращайтесь к нам – мы поможем подобрать оптимальное решение для ваших задач!

Ассортимент

Широкий ассортимент продукции

Сертификаты

на всю продукцию в каталоге

Редкие позиции

всегда в наличии и под заказ

Доставка

рядовых позиций 1-2 дня