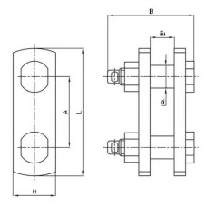
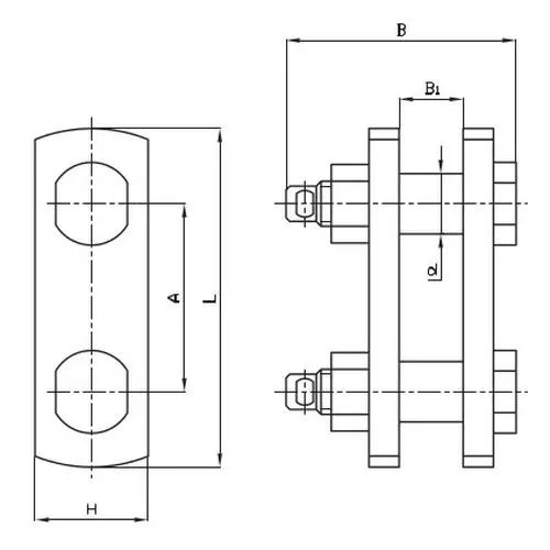
Промежуточные звенья типа 2ПР

Не нашли нужный товар? Обратитесь с заявкой на наш электронный адрес: info@kastmiron.by 
В наличии на складе все ГОСТ, ТУ, DIN! Изготавливаем и привозим под заказ Ваши размеры.

Промежуточные звенья типа 2ПР: Надежность и эффективность в ваших проектах

Промежуточные звенья типа 2ПР – это незаменимый компонент в широком спектре инженерных решений, обеспечивающий надежное и эффективное соединение различных элементов конструкций. Их уникальные характеристики делают их идеальным выбором для задач, требующих высокой прочности, износостойкости и долговечности.

Эти звенья, изготовленные из высококачественных материалов, предназначены для передачи значительных нагрузок и вибраций, сохраняя при этом стабильность и геометрическую точность. Их конструкция, тщательно продуманная до мельчайших деталей, гарантирует максимальную надежность и безопасность эксплуатации в самых сложных условиях.

Области применения: Широкий спектр возможностей

Промежуточные звенья типа 2ПР находят широкое применение в различных отраслях промышленности и строительства. Они незаменимы в машиностроении, горнодобывающей промышленности, энергетике и других сферах, где требуется надежное и долговечное соединение элементов под воздействием высоких нагрузок.

Благодаря своей универсальности, эти звенья успешно используются в конвейерных системах, транспортных средствах, металлообрабатывающем оборудовании и многих других механизмах. Их применение позволяет значительно повысить надежность и срок службы оборудования, снизить риски поломок и простоев.

Ключевые характеристики: Преимущества выбора

Высокая прочность на разрыв и изгиб – это одно из главных преимуществ промежуточных звеньев типа 2ПР. Они способны выдерживать значительные нагрузки, обеспечивая бесперебойную работу механизмов даже в экстремальных условиях. Устойчивость к коррозии и воздействию агрессивных сред гарантирует длительный срок службы и минимальные затраты на обслуживание.

Простота монтажа и демонтажа – еще одно важное достоинство. Специальная конструкция звеньев позволяет легко и быстро устанавливать их в конструкцию, что сокращает время и затраты на монтаж. Точная геометрия и стабильные размеры обеспечивают идеальное сопряжение с другими элементами системы.

Качество и надежность: Гарантия долговечности

Кастмирон гарантирует высокое качество и надежность промежуточных звеньев типа 2ПР. Мы используем только лучшие материалы и передовые технологии производства, что позволяет нам предлагать продукцию, отвечающую самым высоким стандартам качества. Строгий контроль на всех этапах производства обеспечивает безупречное качество каждого изделия.

Наши специалисты всегда готовы оказать квалифицированную помощь в выборе оптимального решения для ваших задач. Мы поможем подобрать звенья, идеально подходящие для ваших конкретных условий эксплуатации, и обеспечим оперативную доставку в любой регион. Обращайтесь к нам – и мы гарантируем вам надежность и эффективность ваших проектов.

Сотрудничество с Кастмирон – это гарантия качества, надежности и оперативности. Мы предлагаем широкий ассортимент промежуточных звеньев типа 2ПР, а также другие строительные материалы и оборудование, необходимые для успешной реализации ваших проектов. Свяжитесь с нами, чтобы получить подробную информацию и сделать заказ.

Выбирая Кастмирон, вы выбираете надежность, качество и долговечность. Мы работаем для вас, чтобы ваши проекты были успешными и прибыльными.

Ассортимент

Широкий ассортимент продукции

Сертификаты

на всю продукцию в каталоге

Редкие позиции

всегда в наличии и под заказ

Доставка

рядовых позиций 1-2 дня