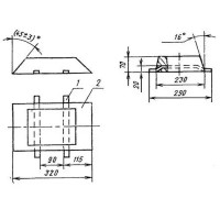
Марка САС-400-1

Не нашли нужный товар? Обратитесь с заявкой на наш электронный адрес: info@kastmiron.by 
В наличии на складе все ГОСТ, ТУ, DIN! Изготавливаем и привозим под заказ Ваши размеры.
Свяжитесь с нами
Вы получите исчерпывающую консультацию относительно представленного на сайте ассортимента, а также сможете оговорить нужные сроки доставки.
Связаться
Свяжитесь с нами
Ассортимент

Широкий ассортимент продукции

Сертификаты

на всю продукцию в каталоге

Редкие позиции

всегда в наличии и под заказ

Доставка

рядовых позиций 1-2 дня

Вы смотрели