Латунный переборочный штуцерный съемный стакан

Не нашли нужный товар? Обратитесь с заявкой на наш электронный адрес: info@kastmiron.by 
В наличии на складе все ГОСТ, ТУ, DIN! Изготавливаем и привозим под заказ Ваши размеры.

Латунный переборочный штуцерный съемный стакан

Надежность и долговечность – вот ключевые характеристики латунного переборочного штуцерного съемного стакана, предлагаемого компанией «Кастмирон». Этот высококачественный компонент, изготовленный из прочной латуни, предназначен для соединения и разъединения различных трубопроводов и систем, обеспечивая герметичность и бесперебойную работу. Его уникальная конструкция позволяет легко и быстро производить монтаж и демонтаж, что значительно экономит время и ресурсы.

Область применения:

Латунный переборочный штуцерный съемный стакан находит широкое применение в различных отраслях промышленности. Его универсальность позволяет использовать его в системах водоснабжения, газоснабжения, нефтедобыче, химической промышленности, а также в машиностроении и приборостроении. Он идеально подходит для ситуаций, требующих частого доступа к трубопроводу для обслуживания, ремонта или замены отдельных элементов.

Преимущества латунного стакана:

Выбор латуни в качестве материала обусловлен ее превосходными свойствами. Латунь обладает высокой коррозионной стойкостью, что гарантирует длительный срок службы даже в агрессивных средах. Она устойчива к износу и механическим повреждениям, обеспечивая надежность соединения на протяжении многих лет. Кроме того, латунь обладает отличной теплопроводностью, что может быть важным фактором в некоторых приложениях.

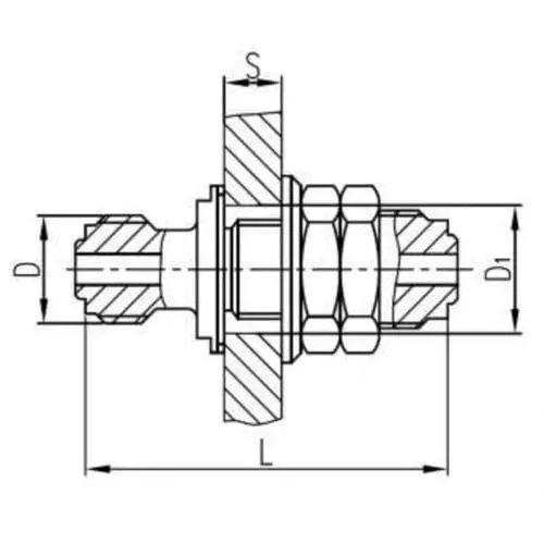
Конструктивные особенности:

Съемная конструкция стакана обеспечивает удобство обслуживания и ремонта. Прецизионная обработка гарантирует идеальное прилегание к штуцеру, исключая протечки. Специальная резьба обеспечивает надежное и герметичное соединение, выдерживающее высокое давление. Стакан легко монтируется и демонтируется без использования специальных инструментов, что упрощает процесс работы.

Технические характеристики:

Компания «Кастмирон» предлагает широкий выбор латунных переборочных штуцерных съемных стаканов различных размеров и модификаций, что позволяет подобрать оптимальный вариант для конкретных задач. Мы предоставляем подробные технические характеристики каждого изделия, включая размеры, рабочее давление, материал и другие параметры. Свяжитесь с нашими специалистами для получения дополнительной информации и выбора подходящего стакана.

Качество и гарантия:

Мы гарантируем высокое качество наших латунных переборочных штуцерных съемных стаканов. Все изделия проходят строгий контроль качества на всех этапах производства, что подтверждается соответствующими сертификатами. Мы уверены в надежности и долговечности нашей продукции и предоставляем гарантию на весь ассортимент.

Обращайтесь в «Кастмирон» – мы обеспечим вас надежными и долговечными компонентами для ваших проектов! Мы предлагаем выгодные условия сотрудничества, быструю доставку и индивидуальный подход к каждому клиенту. Закажите латунный переборочный штуцерный съемный стакан уже сегодня и убедитесь в его высоком качестве и функциональности.

Прямые поставки

без посредников

Отсрочка платежа

до 30 дней

Редкие позиции

в наличии и под заказ

Быстрая доставка

за 1-2 дня

Вы смотрели
от 10.00 р.