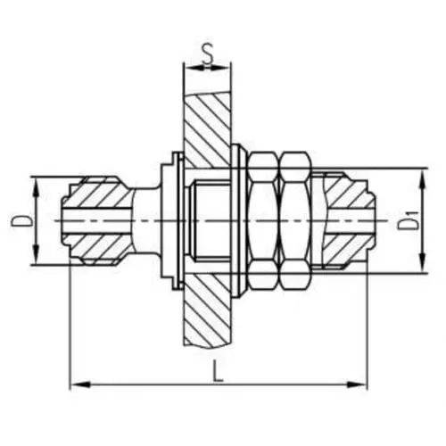
Бронзовый переборочный штуцерный съемный стакан в маломагнитном исполнении

Не нашли нужный товар? Обратитесь с заявкой на наш электронный адрес: info@kastmiron.by 
В наличии на складе все ГОСТ, ТУ, DIN! Изготавливаем и привозим под заказ Ваши размеры.

Бронзовый переборочный штуцерный съемный стакан в маломагнитном исполнении

Представляем вашему вниманию высококачественный бронзовый переборочный штуцерный съемный стакан, выполненный в маломагнитном исполнении. Это специализированное изделие, разработанное для работы в условиях, где критично низкое магнитное воздействие на окружающую среду или на перекачиваемые среды. Его уникальные свойства делают его незаменимым компонентом в различных технологических процессах.

Данный стакан предназначен для соединения и разъединения трубопроводов, обеспечивая надежное и герметичное соединение без риска утечек. Его съемная конструкция позволяет легко и быстро производить монтаж, демонтаж и обслуживание системы, минимизируя простои и повышая эффективность работы. Изготовленный из высококачественной бронзы, стакан отличается повышенной износостойкостью и коррозионной стойкостью, гарантируя длительный срок службы даже в агрессивных средах.

Области применения:

Благодаря своим уникальным характеристикам, бронзовый переборочный штуцерный съемный стакан в маломагнитном исполнении нашел широкое применение в различных отраслях промышленности. Он незаменим в:

  • Химической промышленности: где требуется перекачка и обработка веществ, чувствительных к магнитным полям.
  • Фармацевтической промышленности: для обеспечения стерильности и чистоты в процессе производства лекарственных препаратов.
  • Электронике и микроэлектронике: в технологических процессах, где требуется предотвращение магнитных помех.
  • Приборостроении: в высокоточных приборах и системах, где критично отсутствие магнитного влияния.
  • Атомной энергетике: в системах, требующих высокой надежности и безопасности.

Основные характеристики:

Стакан отличается следующими ключевыми свойствами:

  • Маломагнитное исполнение: минимальное магнитное воздействие на окружающую среду и перекачиваемые среды.
  • Высокая прочность и износостойкость: благодаря использованию высококачественной бронзы.
  • Коррозионная стойкость: обеспечивает длительный срок службы в агрессивных средах.
  • Герметичность соединения: исключает утечки и обеспечивает надежную работу системы.
  • Удобство монтажа и демонтажа: съемная конструкция позволяет легко обслуживать систему.
  • Соответствие международным стандартам качества: гарантирует надежность и безопасность.

Преимущества сотрудничества с "Кастмирон":

Обращаясь в "Кастмирон", вы получаете гарантированно высокое качество продукции, оперативную доставку и индивидуальный подход. Мы предлагаем широкий ассортимент продукции, конкурентные цены и гибкую систему скидок. Наши специалисты всегда готовы помочь вам с выбором оптимального решения и ответить на все ваши вопросы.

Закажите бронзовый переборочный штуцерный съемный стакан в маломагнитном исполнении уже сегодня и убедитесь в его высоком качестве и надежности! Свяжитесь с нами для получения подробной информации и оформления заказа.

Прямые поставки

без посредников

Отсрочка платежа

до 30 дней

Редкие позиции

в наличии и под заказ

Быстрая доставка

за 1-2 дня

Вы смотрели
от 10.00 р.
от 10.00 р.